锂电池保护板原理图
在锂电池应用中,过度充电是很常见的一种潜在风险。为了保障锂电池的安全使用,保护板一般来说配置了过充保护功能。这项功能通过精准监管电池的充电状态,一旦检测出来过度充电情况,便会自动运行防御机制,以避免电池因过度充电而受损以至于发生意外。
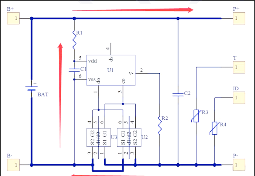
锂电池保护板过充保护的工作原理
在锂电池的充电过程中,电池的充电电流会经过一系列的电路路径。这些路径中,通常包含两个双MOS管(U2、U3),它们在充电时处于导通状态。同时,U1的Pin5芯片会实时监控系统电芯正极的电压波动,这个电压是与Pin6相比较得出的,因为Pin6是U1的地参考。一旦电芯正极的电压相对于Pin6超过了设置的过度充电门限电压,Pin3就可能会运行控制机制,关掉两个MOS管,进而终止充电,这个时候电池只能通过放电。当电池放电至过度充电恢复电压以下时,Pin3掌控的MOS管会重新打开,这个时候电池又就可以开始充电。
此外,锂电池还配备了过放保护功能,以确保电池在使用过程中的安全。
锂电池的放电电流防御机制
在电池放电过程中,电流会经过两个双MOS管(U2、U3),这两者均处于导通状态。这个时候,U1的Pin5芯片会持续监测电芯正极的电压波动,这一监测工作就是对于Pin6来完成的,因为Pin6为U1提供地参考。一旦电芯正极的电压少于设置的过放门限电压,Pin1就可能会运行防御机制,关掉两个MOS管,进而终止放电,这个时候电池仅能进行充电。










